Pompe d'injection PGP35-5
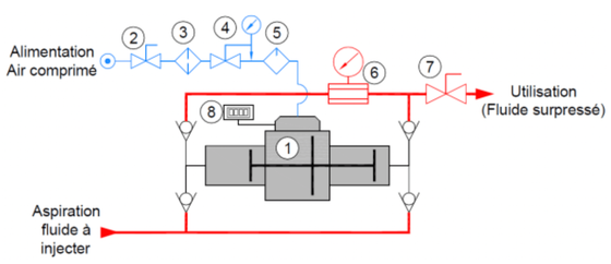
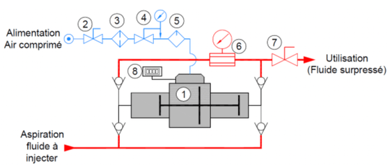
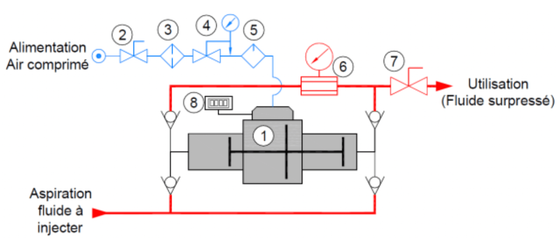
La pompe d’injection PGP-35-5 à moteur pneumatique double effet permet l’injection sous pression de fluides tels que l’eau, la bentonite ou le coulis de ciment.
Elle fonctionne sur le principe simple d’un rapport de sections entre deux pistons. Ce rapport est de 5 dans la version standard pour une pression d’utilisation jusqu’à 35 bar. (*)
Son poids et son encombrement réduits la rendent parfaitement adaptée aux sites difficiles d’accès et permet d’éviter le déplacement de matériel lourd sur les petits chantiers.
(*) La presse PGP-70-10 est disponible sur demande ; Pression maxi. 70 bar sous 7 bar d’air comprimé pour un débit 23 l/mn
Caractéristiques principales
| Pression d'injection | 0-35 bar |
| Débit Max. | 45l/mn |
| Cylindre pneumatique | Ø 160 mm |
| Cylindre hydraulique | Ø 70 mm |
| Fluides injectés | Eau, bentonite, coulis de ciment |
| Type de clapet | À boule |
| Dimensions | 740 x 540 x 440 mm |
| Poids de l'ensemble sur châssis | 38kg |
| Connexion air comprimé | 1/2" BSP |
| Connexion entrée hydraulique | 3/4" BSP |
| Connexion sortie hydraulique | 3/4" BSP |
| Consommation air comprimé | 3.0 Nm3/mn |
| Volume hydraulique par cycle | 0,4 litre |



